Pga2311 / Https Encrypted Tbn0 Gstatic Com Images Q Tbn And9gcsrn9rivhtuqeoud6isagbtgwx Vso44eehnb5ojjuss1ipwgmh Usqp Cau - Using high performance operational amplifier stages internal to the pga2311 yields low noise and distortion, while providing the capability to drive 600?

Pga2311 / Https Encrypted Tbn0 Gstatic Com Images Q Tbn And9gcsrn9rivhtuqeoud6isagbtgwx Vso44eehnb5ojjuss1ipwgmh Usqp Cau - Using high performance operational amplifier stages internal to the pga2311 yields low noise and distortion, while providing the capability to drive 600?. Pga2311 stereo audio volume control datasheet (rev. 3 × pcf8574 microprocessors, microcontrollers, dsps / microprocessors (mpus), i2c portexpander. Folge deiner leidenschaft bei ebay! This project include the pcb desing, and the firmware to controle the pga2311/2310, and the cs3310. This is my just finished digital volume controller based on pga2311 / 2310 and atmega8 controller.

Pga2311+mega8.pdf (27.6 kb, 1274 views) pga2311+mega8.zip (30.1 kb, 776 views) jash2008. old version datasheet stereo audio volume control. 16 pin connector is lcd 16*2. Folge deiner leidenschaft bei ebay! At that stage we could not help, so we advised to look at a kit or a complete unit based on a pga2311 chip.

Diyerzone Hifi Pga2311 Remote Volume Control Preamplifier Stereo Preamp With 4 Way Inputs Home Amplifiers Buy At The Price Of 100 00 In Aliexpress Com Imall Com
Diyerzone Hifi Pga2311 Remote Volume Control Preamplifier Stereo Preamp With 4 Way Inputs Home Amplifiers Buy At The Price Of 100 00 In Aliexpress Com Imall Com from ae01.alicdn.com
The pga2311 is a stereo audio volume control that can be used in a wide array of professional and consumer audio equipment. old version datasheet stereo audio volume control. At that stage we could not help, so we advised to look at a kit or a complete unit based on a pga2311 chip. Schau dir angebote von ‪pga2311‬ auf ebay an. Folge deiner leidenschaft bei ebay! Will run on most any arduino with enough i/o for the features that desire enabling. Program pga2311 i have some problems with programming the pga2311, a digital controlled volumecontrol of ti. Pga2311+mega8.pdf (27.6 kb, 1274 views) pga2311+mega8.zip (30.1 kb, 776 views) jash2008.

Using high performance operational amplifier stages internal to the pga2311 yields low noise and distortion.most of the famous preamp are use this kit,such as jeff rowland、krell 、gryphon 、mbl、mark levinson,etc.

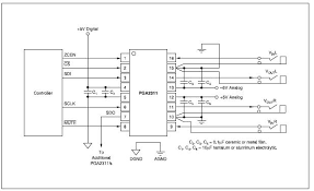
The pga2311 is a stereo audio volume control. Hope you will like this. Volume is controlled by american bb's renowned pga2311 chips. Loads directly without buffering.the heart of the pga2311 is a. Diy preamplifier based on pga2311 with multiple inputs and arduino remote control. 3 × pcf8574 microprocessors, microcontrollers, dsps / microprocessors (mpus), i2c portexpander. Schau dir angebote von ‪pga2311‬ auf ebay an. Using high performance operational amplifier stages internal to the pga2311 yields low noise and distortion, while providing the capability to drive 600? The pga2311 is a stereo audio volume control that can be used in a wide array of professional and consumer audio equipment. Pga2311 stereo audio volume control datasheet (rev. It may be used in a wide array of professional and consumer audio equipment. The first 8 bitscontrols the right channel, the next 8 bits controls the left channel. There was a question on the forum about a remote controlled volume control, the intention was to place it between a quad 33 and 303.

The pga2311 is fabricated in a sub− micron cmos process. Große auswahl an pga2311 vorverstärker. Similarly, the ds1802 is another vol control chip that the audiophile community seems to like. Program pga2311 i have some problems with programming the pga2311, a digital controlled volumecontrol of ti. Schau dir angebote von ‪pga2311‬ auf ebay an.

Volume Control Module Board Pga2311 Audiophonics
Volume Control Module Board Pga2311 Audiophonics from www.audiophonics.fr
The pga2311 is a stereo audio volume control that can be used in a wide array of professional and consumer audio equipment. The pga2311 is a stereo audio volume control. old version datasheet stereo audio volume control. 32 ( 1/2 page) electronic manufacturer. 7 with switch machine remote control function 8 with manual adjustment function, the remote control is still used Diy preamplifier based on pga2311 with multiple inputs and arduino remote control. There is a minimum quantity of 10 and a maximum quantity of 10 for this product. Remote unit is included !

Another tact is to do a 'relay stepper' which is an r/2r.

Using high performance operational amplifier stages internal to the pga2311 yields low noise and distortion, while providing the capability to drive 600? This is a system for controlling a pga2311 or similar volume control with an arduino. Lead type pga2311 has much better sonic performance, either in terms of channel separation and distortion characteristics (and a lot more expensive too !) than the smd type. Pga2311+mega8.pdf (27.6 kb, 1274 views) pga2311+mega8.zip (30.1 kb, 776 views) jash2008. 7 with switch machine remote control function 8 with manual adjustment function, the remote control is still used Kyyslb f3 bluetooth 5.0 remote control preamp fever level pga2310 pga2311 preamplifier multiple input selection to switch preamp. This assembled kit consists of two boards, the main board and the lcd panel board. Pga2311 stereo audio volume control datasheet (rev. The pga2311 is a stereo audio volume control. Diy preamplifier based on pga2311 with multiple inputs and arduino remote control. Folge deiner leidenschaft bei ebay! The first 8 bitscontrols the right channel, the next 8 bits controls the left channel. Similarly, the ds1802 is another vol control chip that the audiophile community seems to like.

Hope you will like this. Kyyslb f3 bluetooth 5.0 remote control preamp fever level pga2310 pga2311 preamplifier multiple input selection to switch preamp. Kyyslb hifi amplifier audio store. Lead type pga2311 has much better sonic performance, either in terms of channel separation and distortion characteristics (and a lot more expensive too !) than the smd type. There is a minimum quantity of 10 and a maximum quantity of 10 for this product.

Yuan Jing Pga2311 Volume Control V3
Yuan Jing Pga2311 Volume Control V3 from www.meddens.eu
Lead type pga2311 has much better sonic performance, either in terms of channel separation and distortion characteristics (and a lot more expensive too !) than the smd type. Pga2311 series texas instruments pga2311 series audio amplifiers products (7) datasheets (1) This assembled kit consists of two boards, the main board and the lcd panel board. Pga2311 stereo audio volume control datasheet (rev. It is quite featureful, with pushbutton mute, multiple supported channels (relay switched), compile time balance, etc. On ebay there are plenty of companies who can deliver such a box. Another tact is to do a 'relay stepper' which is an r/2r. At that stage we could not help, so we advised to look at a kit or a complete unit based on a pga2311 chip.

Program pga2311 i have some problems with programming the pga2311, a digital controlled volumecontrol of ti.

Remote unit is included ! Used together with a valve buffer of some sort it provides a very practical and high quality link between up to three sources and a power amplifier. Große auswahl an pga2311 vorverstärker. 32 ( 1/2 page) electronic manufacturer. Pga2311+mega8.pdf (27.6 kb, 1274 views) pga2311+mega8.zip (30.1 kb, 776 views) jash2008. It is quite featureful, with pushbutton mute, multiple supported channels (relay switched), compile time balance, etc. It needs a 16 bit word to program the volume of the right and left channel. The pga2311 is an economical preamp that is decently built and performs well. Volume is controlled by american bb's renowned pga2311 chips. Kyyslb hifi amplifier audio store. At that stage we could not help, so we advised to look at a kit or a complete unit based on a pga2311 chip. This assembled kit consists of two boards, the main board and the lcd panel board. This two integrated circuits are perfect to audio control.

Another tact is to do a 'relay stepper' which is an r/2r pga. Folge deiner leidenschaft bei ebay!

Post a Comment

0 Comments